Welkom op het weetjewel forum, van en voor Volkswagen Transporter rijders.

Groetjes webmaster Henk-1

klik rechts op de "X" dan verdwijnt dit veld

Elektra schema vragen

VW T4 camper vragen nieuwbouw en zelfbouw
Amy_in_een_bus
Berichten: 10
Lid geworden op: 21 jun 2021, 15:48

Elektra schema vragen

Bericht door Amy_in_een_bus »

Hoi allemaal,

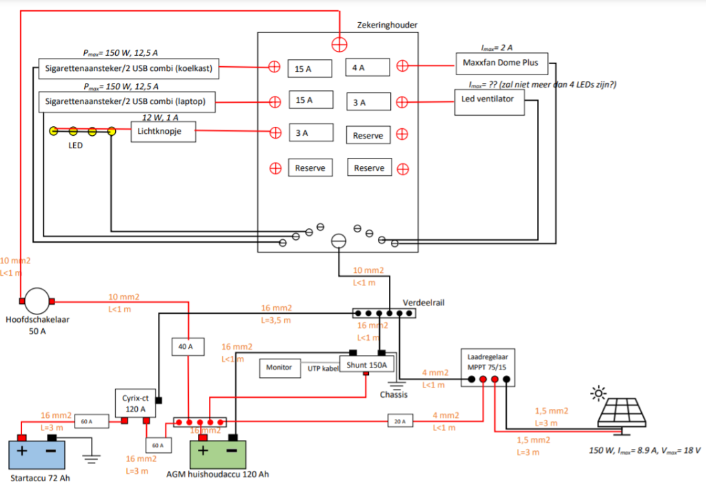
Ik ben bezig met mijn elektra schema, hieronder de huidige versie. Ik heb wel nog een aantal dingen die me nog niet helemaal duidelijk zijn en zou het fijn vinden als de elektra experts hier daar iets over zouden kunnen zeggen:)

- Hoe zorg je ervoor dat je huishoudaccu niet overladen wordt bij opladen met zonnepaneel en via startaccu?
- Moet er ook nog een plus kabel van de shunt naar de startaccu lopen of is dit niet nodig omdat alles in principe via de huishoudaccu gaat?
- De koelkast zou in dit schema aangesloten worden op een sigarettenaansteker, is het beter om de koelkast direct aan te sluiten in het circuit of is deze manier ook prima?
- Ik vind vooral de min aansluitingen verwarrend, kloppen deze zo? Klopt ook het aarden van de shunt op het chassis of gaat er dan iets mis met het meten van de stroom die binnenkomt en uitgaat?
- Andere op-/ aanmerkingen/verbeteringen?

Alvast heel erg bedankt!

Groetjes Amy
Elektra schema.pdf
(127.4 KiB) 103 keer gedownload
Knipsel.PNG
Gebruikersavatar
Mickel Moen
Berichten: 2110
Lid geworden op: 21 mei 2009, 15:19
Locatie: Súdwest-Fryslân
Contacteer:

Re: Elektra schema vragen

Bericht door Mickel Moen »

Eerste reactie. Ik wil morgen nog wel eens kritisch naar het schema kijken.

Wat overladen betreft.

De mppt werkt als een laadregelaar, met verschillende laadfases. Aan het eind van de cyclus gaat deze dan ook over op onderhoudsladen. Mijn Mppt staat continu aan. Zodra de accu vol is, neemt deze geen stroom meer op en leveren de panelen niet meer.
Dat geldt ook voor de startaccu, aangezien de Cyrix bidirectioneel werkt.

Overladen door de dynamo hoef je ook niet te vrezen.

Iedere accu slijt door gebruik. Lekker vol houden is juist goed. Van het tegenovergestelde, te vaak diep of te diep ontladen slijt de accu veel meer. Althans bij loodzuuaccu’s.

Wat voor koelkast/box ga je aansluiten?

Sowieso, zou ik zware verbruikers en dat is een koelkast rechtstreeks aansluiten in het systeem. Cigarettenaanstekerstopcontacten zijn toch meer geschikt voor tijdelijk gebruik, of lichte gebruikers als een usb-lader.
Groetnis, Geert
.Afbeelding mickelmoen.nl
Gebruikersavatar
Pdegro
Berichten: 214
Lid geworden op: 31 mei 2014, 23:35
Locatie: Tussen Gent en Eeklo (België)

Re: Elektra schema vragen

Bericht door Pdegro »

Voor zover ik weet moet een Shunt opgenomen worden in de - lijn van de HH accu en niet tussen + en -
Zie HIER een principe schema op het camperforum.

Mvg, Pierre
Laatst gewijzigd door Pdegro op 19 feb 2022, 15:16, 1 keer totaal gewijzigd.
Mvg, Pierre.
T4 2,5 TDI, California Coach 1997
Gebruikersavatar
Multivan Generation
Berichten: 34858
Lid geworden op: 14 jan 2007, 14:41
Locatie: Zeeland (Oost)
Contacteer:

Re: Elektra schema vragen

Bericht door Multivan Generation »

@pierre dat klopt wat betreft de shunt.

Mijn opmerking v.w.b. je zonnepaneel. Neem 4² of 6² dus 4 of 6 kwadraat, wat je nu hebt geeft verlies

En vind de zekeringen tussen start accu en cyrix en huishoudaccu en cyrix onderbemeten.
...have you ever noticed that some people never have the money to do it right, but can always find the money to do it twice?...
Gebruikersavatar
hangover
Berichten: 128
Lid geworden op: 13 feb 2019, 14:06
Locatie: Driebergen

Re: Elektra schema vragen

Bericht door hangover »

Als het een Victron shunt is van bv een BMV700 dan heeft deze een plus aansluiting.
Hiermee krijgt de display unit spanning via de utp kabel voor voeding en spanningsmeting.
Afbeelding 2002 T4 LWB Syncro AXL :T44EVER
Amy_in_een_bus
Berichten: 10
Lid geworden op: 21 jun 2021, 15:48

Re: Elektra schema vragen

Bericht door Amy_in_een_bus »

Bedankt voor de reacties!
Mickel Moen schreef: 16 feb 2022, 20:31 Eerste reactie. Ik wil morgen nog wel eens kritisch naar het schema kijken.

Wat voor koelkast/box ga je aansluiten?

Sowieso, zou ik zware verbruikers en dat is een koelkast rechtstreeks aansluiten in het systeem. Cigarettenaanstekerstopcontacten zijn toch meer geschikt voor tijdelijk gebruik, of lichte gebruikers als een usb-lader.
Zou fijn zijn! Ik merk dat ik erg nerveus word als ik eraan denk om dit allemaal daadwerkelijk aan te gaan sluiten dus elk beetje extra info/zekerheid voordat ik begin wordt zeer gewaardeerd :lach Duidelijk van het overladen, bedankt!

Ik ga een Dometic CoolFreeze CDF 26 aansluiten. Meteen mijn volgende vraag: hoe sluit ik deze direct aan? Er zit een 12 V stekker bij, hier iets mee knutselen of?
hangover schreef: 16 feb 2022, 22:52 Als het een Victron shunt is van bv een BMV700 dan heeft deze een plus aansluiting.
Hiermee krijgt de display unit spanning via de utp kabel voor voeding en spanningsmeting.
Aah weet ik ook meteen waar die voor is, maar klopt inderdaad! De rode kabel is het standaard meegeleverde + kabeltje zoals hieronder. Mijn vraag over de shunt en pluskabel is dan niet meer relevant
1599-4178426ee986046d816b39d6fef67405.jpg
1599-4178426ee986046d816b39d6fef67405.jpg (13.66 KiB) 1479 keer bekeken
Multivan Generation schreef: 16 feb 2022, 21:29 @pierre dat klopt wat betreft de shunt.

Mijn opmerking v.w.b. je zonnepaneel. Neem 4² of 6² dus 4 of 6 kwadraat, wat je nu hebt geeft verlies

En vind de zekeringen tussen start accu en cyrix en huishoudaccu en cyrix onderbemeten.
Dus even voor de zekerheid: tussen zonnepaneel en laadregelaar ook 4 mm2? Wat betreft zekeringen voor en na cyrix: Hoe weet ik met hoeveel de HH accu max wordt opgeladen vanuit de startaccu?

Alvast bedankt!
Gebruikersavatar
limburger
Berichten: 786
Lid geworden op: 30 sep 2009, 19:06
Locatie: zuid limburg

Re: Elektra schema vragen

Bericht door limburger »

Amy_in_een_bus schreef: 16 feb 2022, 23:47 Wat betreft zekeringen voor en na cyrix: Hoe weet ik met hoeveel de HH accu max wordt opgeladen vanuit de startaccu?
dit is van meerdere factoren afhankelijk, interne weerstand van de accu, laadspanning, maximale stroom dynamo, kabeldikte en lengte.
zorg dat de zekeringen zeker niet zwaarder zijn dan de maximale stroom geschikt voor de gebruikte kabeldikte en lengte alsook de maximale stroom van het cyrix relais.


:driveT4 :T44EVER
Gebruikersavatar
Mickel Moen
Berichten: 2110
Lid geworden op: 21 mei 2009, 15:19
Locatie: Súdwest-Fryslân
Contacteer:

Re: Elektra schema vragen

Bericht door Mickel Moen »

Wat de aansluiting van de koelbox betreft.

Als het de bedoeling is, dat de koelbox op een permanente plek staat, geef ik er de voorkeur aan, om rechtstreeks aan te sluiten.
Een aansluiting met zo’n cigarettenaanstekerstekker en stopcontact kan natuurlijk, maar is wel weer een extra koppeling met kans op storingen. Is dat stopcontact reeds in de buurt aangebracht, dan kun je daar voor kiezen. Moet je dat nog aanleggen, dan heeft mijn voorkeur rechtstreeks.

Afhankelijk van de lengte kies je dan voor een kabel die dik genoeg is in relatie met maximale stroomsterkte van de koelbox. Deze kabel trek je wat de plus betreft vanaf de zekeringbox. Geef de koelbox dus een eigen zekering aan de voedingkant. De min sluit je aan op een degelijk massapunt. Voor aansluiting op de koelbox koop je een daarvoor geschikte stekker die je vervolgens aan de kabel monteert. (Eventueel kun je de bijgeleverde kabel verlengen, maar ook dat geeft weer een extra aansluiting. )

Als ik de koelbox niet gebruik, trek ik die stekker eruit.

Desgewenst kun je nog een schakelaar monteren, maar als het een beetje kan probeer ik dit soort storingsgevoelige zaken te vermijden.

Veel wegen naar Rome dus.
Groetnis, Geert
.Afbeelding mickelmoen.nl
Gebruikersavatar
Jan anno NU
Berichten: 830
Lid geworden op: 19 jul 2021, 22:50
Locatie: Breda

Re: Elektra schema vragen

Bericht door Jan anno NU »

Je kan ook nog overwegen om een XLR connector te monteren aan de kabel van je koelbox.
Deze zijn mechanisch en elektrisch zeer degelijk , zeer gangbaar in de rock n roll wereld bijvoorbeeld,-)

https://nl.wikipedia.org/wiki/XLR

Er zijn ook strakke chassis delen voor de XLR connector te koop , makkelijk in te bouwen.
https://www.allekabels.nl/xlr-stekker/6 ... gIwkPD_BwE
xlr-chassisdeel-aansluiting-2-solderen.jpg
Uiteraard is dan je koelbox iets minder universeel inzetbaar aan te sluiten , in de kofferbak van een willekeurige auto bv.
Is weer op te vangen als je dat nodig hebt door een verloop te maken.

En het is een feit , de gangbare sigarenaansteker stekkers zijn ronduit bagger.
Vaak slecht kontakt na verloop van tijd .
Gebruikersavatar
krekwakwol
Berichten: 4691
Lid geworden op: 10 jan 2016, 20:28
Locatie: Gemeente Westerkwartier

Re: Elektra schema vragen

Bericht door krekwakwol »

Die worden ook gebruikt in de revalidatie techniek om electrische rolstoelen, scootmobielen etc. op te laden, dus dat geeft de betrouwbaarheid ook wel aan.
(11 jaar in gewerkt, vandaar de kennis)
Groet, Arnold
T5 2.5TDI 96kw bj 2008
Amy_in_een_bus
Berichten: 10
Lid geworden op: 21 jun 2021, 15:48

Re: Elektra schema vragen

Bericht door Amy_in_een_bus »

Bedankt voor de reacties weer!
Mickel Moen schreef: 18 feb 2022, 12:10 Voor aansluiting op de koelbox koop je een daarvoor geschikte stekker die je vervolgens aan de kabel monteert
Dit is dan de stekker die in de koelkast gaat maar waar je aan de andere kant direct de stroomkabels aan kan monteren? Even voor mijn beeldvorming, zie nog niet helemaal voor me hoe dit er dan uitziet

De XLR connector zal ik ook overwegen!

Dan heb ik nog een vraag over de stroommeting van de shunt. Wat ik heb begrepen is dat je ook alle min kabels van de laders door de shunt moet laten lopen zodat dit ook wordt meegenomen in de meting, maar hoe werkt dit met het opladen via de startaccu/scheidingsrelais? Moet ik dan ook nog van de min van de startaccu of van de min van de cyrix een kabel naar de shunt laten lopen? Ik zit er een beetje mee dat de afstand tussen mijn startaccu en huishoudaccu vrij groot is waardoor ik in dat geval twee dikke en lange kabels door de bus heb lopen. En klopt het aarden van de shunt aan het chassis zoals in het schema?
Gebruikersavatar
moosev
Berichten: 538
Lid geworden op: 06 sep 2016, 19:29
Locatie: Hoorn

Re: Elektra schema vragen

Bericht door moosev »

Shunt zit prima. Tussen shunt en hh accu een enkele verbinding, niet aan het chassis. Andere kant aan chassis zoals op het schema. Helemaal goed.
Gr
René
Amy_in_een_bus
Berichten: 10
Lid geworden op: 21 jun 2021, 15:48

Re: Elektra schema vragen

Bericht door Amy_in_een_bus »

moosev schreef: 19 feb 2022, 14:22 Shunt zit prima. Tussen shunt en hh accu een enkele verbinding, niet aan het chassis. Andere kant aan chassis zoals op het schema. Helemaal goed.
Gr
René
Oke heel erg bedankt! Ik ga er dit weekend mee aan de slag.
Amy_in_een_bus
Berichten: 10
Lid geworden op: 21 jun 2021, 15:48

Re: Elektra schema vragen

Bericht door Amy_in_een_bus »

Daar ben ik weer :knipoog Ik zit nog steeds te worstelen met het meten van de oplaadstroom van startaccu/relais naar HH accu via de shunt. Ik wilde eerst zoals in het schema een minkabel van cyrix naar shunt trekken ivm kortere afstand. Maar de cyrix heeft voor de min een 6.3 mm faston aansluiting die zover ik kan vinden niet gecombineerd kan worden met een dikke kabel. Dan maar beter een langere minkabel van min startaccu naar shunt? Of misschien nog andere suggesties?
Gebruikersavatar
hangover
Berichten: 128
Lid geworden op: 13 feb 2019, 14:06
Locatie: Driebergen

Re: Elektra schema vragen

Bericht door hangover »

Het maakt niet zoveel uit waar de minkabel van de Cyrix aan massa zit. Er loopt niet veel stroom door.
Er zijn van ook die pers kabelschoentjes te krijgen met een 10mm oog als je hem met de shunt wil verbinden.
Ik heb zelf nog een schakelaar in die mindraad gezet zodat ik de Cyrix kan uitzetten als ik niet wil dat beide accu's tegelijk geladen worden als de bus aan de stroompaal staat, de accu's hebben bij mij beide een eigen lader.
Afbeelding 2002 T4 LWB Syncro AXL :T44EVER
Plaats reactie