Welkom op het weetjewel forum, van en voor Volkswagen Transporter rijders.

Groetjes webmaster Henk-1

klik rechts op de "X" dan verdwijnt dit veld

Accu’s laden niet meer op aan 220

VW T5 camper vragen nieuwbouw en zelfbouw
ViTu
Berichten: 126
Lid geworden op: 06 feb 2021, 10:48

Re: Accu’s laden niet meer op aan 220

Bericht door ViTu »

ViTu schreef: 12 mar 2023, 08:45 Ik ben ook een nieuwe lader aan het plaatsen. De Victron smart Blue ip67, Si + 1..

Ik kom echter 4 draden tegen bij de stekker van de originele lader.

- plus
- min
- display (om stekker symbool afgebeeld te krijgen op de CU)
- ??

Waar zou het 4e draadje voor zijn? Weet iemand dat?
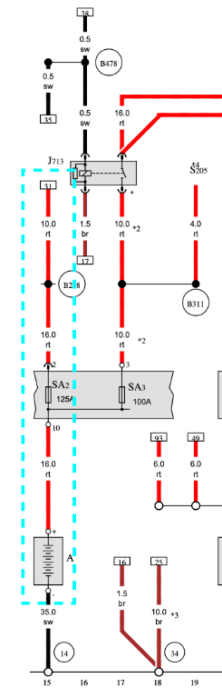
Ook wel vreemd dat er bij mij 4 draden de camper in gaan, waarvan ik de 4e nog steeds niet kan verklaren. Ik heb het schema gevonden en daar ook maar drie draden. Rara waar is de vierde (rood/geel) draad voor?
Bijlagen
3 x draad uit bij boordlader / acculader
3 x draad uit bij boordlader / acculader
T5 California Comfortline 2.5 TDI 174pk
ViTu
Berichten: 126
Lid geworden op: 06 feb 2021, 10:48

Re: Accu’s laden niet meer op aan 220

Bericht door ViTu »

Heeft iemand een idee, of richting waar het antwoord te kunnen vinden?
T5 California Comfortline 2.5 TDI 174pk
ViTu
Berichten: 126
Lid geworden op: 06 feb 2021, 10:48

Re: Accu’s laden niet meer op aan 220

Bericht door ViTu »

Gevonden! Jeu.

Het is een draadje dat naar de startaccu gaat. Dat is me nu duidelijk. Via een aantal zekeringen.

Zie afbeeldingen.

Echter waarom gaat er een draadje van de startaccu naar de acculader onder de koelkast?

Wordt de startaccu dan toch stiekem opgeladen door de acculader?
Of gaat de spanning vanuit de startaccu naar de acculader?

Het is een dun draadje, dus lijk me niet de startaccu wordt opgeladen. Maar ik ben geen electronica-expert.

Wie heeft er een idee over waarom de startaccu met de acculader is verbonden?

Grote dank!
Bijlagen
Screenshot 2023-03-14 at 18.08.39.png
Screenshot 2023-03-14 at 18.08.48.png
Screenshot 2023-03-14 at 18.09.02.png
T5 California Comfortline 2.5 TDI 174pk
Gebruikersavatar
Remco_T5
Berichten: 593
Lid geworden op: 04 apr 2021, 18:06
Locatie: Lansingerland - Zuid Holland

Re: Accu’s laden niet meer op aan 220

Bericht door Remco_T5 »

Voor het bijladen van een accu heb je niet een dik draadje nodig maar geduld. Dus het kan voor het bijladen van de startaccu zijn.
Groeten Remco (T5 GP 2013, CCHA) :T4politie
ViTu
Berichten: 126
Lid geworden op: 06 feb 2021, 10:48

Re: Accu’s laden niet meer op aan 220

Bericht door ViTu »

Remco_T5 schreef: 14 mar 2023, 21:46 Voor het bijladen van een accu heb je niet een dik draadje nodig maar geduld. Dus het kan voor het bijladen van de startaccu zijn.

Dankje. Ik ga wel even meten. Maar ik blijf het nog een misterieuze verbinding vinden.

Als iemand anders nog ideen heeft of documentatie waaruit ea blijkt dan hoor ik graag.

Bij het Campercentrum weten ze het ook niet en hebben ze geen tijd/zin het te achterhalen.
T5 California Comfortline 2.5 TDI 174pk
ViTu
Berichten: 126
Lid geworden op: 06 feb 2021, 10:48

Re: Accu’s laden niet meer op aan 220

Bericht door ViTu »

californiadreaming schreef: 23 jul 2022, 18:02 De 2 huishoudaccus zijn aan elkaar gekoppeld dus worden beide opgeladen. Heb dit ook gecheckt, ze krijgen beiden 14,7v
De motoraccu wordt niet opgeladen maar is voor mij niet nodig, heb een Ctex 5.0 oplader altijd bij me.
En had de radio en versterker toch al rechtstreeks op de huishoudaccu aangesloten.

De Victron was 220,- verder een Anderson sb stekker 10,- en een ac naar 220v stekker omdat ik geen originele kabels van de bus wil afknippen.
Hoe heb je de draden die uit de originele lader naar de originele stekker gaan losgekregen uit de stekkers? Of heb je die draden wel doorgeknipt?

Dank!
T5 California Comfortline 2.5 TDI 174pk
egenolf
Berichten: 3
Lid geworden op: 11 okt 2016, 23:10

Re: Accu’s laden niet meer op aan 220

Bericht door egenolf »

Hallo,
Ik wil mijn acculader gaan vervangen voor een Victron acculader. Maar hoe kom ik zonder veel schade bij het compartiment onder de koelkast waar deze lader zit. Welke schroeven of parkers losmaken?
Ik kon dat nergens vinden op het forum,
Egenolf
Gebruikersavatar
Witteklim
Berichten: 163
Lid geworden op: 20 jun 2014, 14:14
Locatie: kessel-lo

Re: Accu’s laden niet meer op aan 220

Bericht door Witteklim »

Deksel van de koelkast verwijderen , 3 parkers in de kledingkast en 3 parkers onder het gasvuur.
Dan kun je de koelkast langs boven er nipt uittillen .
Welke elec draden die je moet lossen weet ik niet meer van buiten
Plaats reactie