Welkom op het weetjewel forum, van en voor Volkswagen Transporter rijders.
Groetjes webmaster Henk-1
klik rechts op de "X" dan verdwijnt dit veld
Groetjes webmaster Henk-1
klik rechts op de "X" dan verdwijnt dit veld
T5GP LWB 2012 Camperombouw 2017
T5GP LWB 2012 Camperombouw 2017
Het ombouwproject T5 GP LWB
Dec 2016
Na maanden van plannen bedenken, beurzen bezoeken, camperbouwers bezoeken en ontelbare uren het internet afstruinen is de bouw van de camper eindelijk begonnen. De aangeschafte bus is een dichte VW T5 GP LWB uit 2012 met 140pk. Kilometerteller staat op 120000, auto is voorzien van achterklep en comfortstoelen. Verder uitgerust met licht-zicht pakket en elektrische ramen. Cruise Control en dimmende achteruitkijkspiegel. (We hebben alleen nog geen achterraam...)
De garage heeft er direct een Bearlock in gezet en de grijze bumpers zijn vervangen door witte exemplaren. Ook de handgrepen zijn wit gespoten. Het plan is om er een U-zit in te bouwen met een keukentje met koelkast en 2-pits Dometic gasstel op Campingaz. Verder komt er een volledige elektrische (Victron) installatie in voor de 12V en 230V met twee accu's en eventueel later zonnecellen. Water gewoon met een dompelpompje in een jerrycan en afvoer naar buiten. We willen rondom ramen gaan aanbrengen, 5 stuks dus. Verder komt er nog een diesel kachel onder de auto.
Er wordt een groot (slaap)dak van Reimo opgezet, dit gaan we niet zelf doen. Het is tenslotte de eerste keer dat we een dergelijk project gaan doen. De binnenkant zal wel lastig genoeg worden...
Het ontwerp is inmiddels in 3D uitgewerkt en de indeling is op wat details na bepaald. Uitgangspunt was een breed en groot bed, het 120cm bedje in een California was niet ons ding. Ontwerp is nu met een bed van 1600x2000, met eventueel later nog een zijkast waardoor het 1400x2000 wordt. De bestelde spullen druppelen inmiddels binnen. En de eerste (sloop) werkzaamheden zijn gedaan.
Veel spullen komen uit Engeland, maar ook uit Duitsland, Letland, Littouwen, China en uiteraard Nederland.
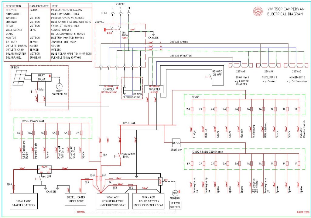
Het elektrisch ontwerp is gebaseerd op de door andere zelfbouwers gepubliceerde schema's. Een en ander zal wel bekend voorkomen.
(BIijgewerkt 03-2020, klik voor vergroting)
gr René
Dec 2016
Na maanden van plannen bedenken, beurzen bezoeken, camperbouwers bezoeken en ontelbare uren het internet afstruinen is de bouw van de camper eindelijk begonnen. De aangeschafte bus is een dichte VW T5 GP LWB uit 2012 met 140pk. Kilometerteller staat op 120000, auto is voorzien van achterklep en comfortstoelen. Verder uitgerust met licht-zicht pakket en elektrische ramen. Cruise Control en dimmende achteruitkijkspiegel. (We hebben alleen nog geen achterraam...)
De garage heeft er direct een Bearlock in gezet en de grijze bumpers zijn vervangen door witte exemplaren. Ook de handgrepen zijn wit gespoten. Het plan is om er een U-zit in te bouwen met een keukentje met koelkast en 2-pits Dometic gasstel op Campingaz. Verder komt er een volledige elektrische (Victron) installatie in voor de 12V en 230V met twee accu's en eventueel later zonnecellen. Water gewoon met een dompelpompje in een jerrycan en afvoer naar buiten. We willen rondom ramen gaan aanbrengen, 5 stuks dus. Verder komt er nog een diesel kachel onder de auto.
Er wordt een groot (slaap)dak van Reimo opgezet, dit gaan we niet zelf doen. Het is tenslotte de eerste keer dat we een dergelijk project gaan doen. De binnenkant zal wel lastig genoeg worden...
Het ontwerp is inmiddels in 3D uitgewerkt en de indeling is op wat details na bepaald. Uitgangspunt was een breed en groot bed, het 120cm bedje in een California was niet ons ding. Ontwerp is nu met een bed van 1600x2000, met eventueel later nog een zijkast waardoor het 1400x2000 wordt. De bestelde spullen druppelen inmiddels binnen. En de eerste (sloop) werkzaamheden zijn gedaan.
Veel spullen komen uit Engeland, maar ook uit Duitsland, Letland, Littouwen, China en uiteraard Nederland.
Het elektrisch ontwerp is gebaseerd op de door andere zelfbouwers gepubliceerde schema's. Een en ander zal wel bekend voorkomen.
(BIijgewerkt 03-2020, klik voor vergroting)
gr René
Laatst gewijzigd door moosev op 30 mar 2020, 17:09, 6 keer totaal gewijzigd.
___________________________
Klik -----> Ombouw T5GP LWB Camper project 2017 en diverse aanpassingen 2018 <------
Klik -----> Ombouw T5GP LWB Camper project 2017 en diverse aanpassingen 2018 <------
Re: T5GP LWB 2012 Camperombouw 2017
Jan 2017
De bus had geen radio, dus eerst maar eens een eenvoudige dubbel-DIN unit van Pioneer er in gebouwd. Geen CD speler, wel een usb aansluiting en bluetooth. Én een aansluiting voor een achterzichtcamera. Het bestaande microfoontje van de oorspronkelijke parrot kon met een adapter geschikt gemaakt worden voor de radio. De achteruitrijcamera, ook van Pioneer, boven de kentekenplaat gemonteerd en we hadden zicht! Het automatisch omschakelen op het achterlichten signaal wil nog niet helemaal werken maar dat komt wel. Lijkt een spanningsniveau probleem te zijn. Wanneer de motor niet draait werkt het prima, zodra de motor draait wordt het een willekeurig verhaal. Op de radio kunnen we handmatig de camera selecteren dus dat werkt ook. Camera is er ingelijmd met Sikaflex maar moet nog verder netjes afgewerkt worden.
gr. René
De bus had geen radio, dus eerst maar eens een eenvoudige dubbel-DIN unit van Pioneer er in gebouwd. Geen CD speler, wel een usb aansluiting en bluetooth. Én een aansluiting voor een achterzichtcamera. Het bestaande microfoontje van de oorspronkelijke parrot kon met een adapter geschikt gemaakt worden voor de radio. De achteruitrijcamera, ook van Pioneer, boven de kentekenplaat gemonteerd en we hadden zicht! Het automatisch omschakelen op het achterlichten signaal wil nog niet helemaal werken maar dat komt wel. Lijkt een spanningsniveau probleem te zijn. Wanneer de motor niet draait werkt het prima, zodra de motor draait wordt het een willekeurig verhaal. Op de radio kunnen we handmatig de camera selecteren dus dat werkt ook. Camera is er ingelijmd met Sikaflex maar moet nog verder netjes afgewerkt worden.
gr. René
___________________________
Klik -----> Ombouw T5GP LWB Camper project 2017 en diverse aanpassingen 2018 <------
Klik -----> Ombouw T5GP LWB Camper project 2017 en diverse aanpassingen 2018 <------
Re: T5GP LWB 2012 Camperombouw 2017
Feb 2017
We hebben de originele vloerplaat verwijderd om deze later weer als vloer te kunnen gebruiken. Eronder gaan we isoleren met X-trem. Als eerste de vloer schoongemaakt en vetvrij gemaakt. Diverse gaatjes voorzien van primer en dichtgemaakt met Sikaflex. De grotere tussenvlakken tussen de ribbels voorzien van 9mm populieren multiplex. Deze zijn weer vastgelijmd met Sikaflex. Op het mulitplex en de metalen ribbels hebben we dwarsbalkjes van 15mm geplaatst met een tussenruimte van ca 200-300 mm. Daarna de drie X-trem platen van 2000x1000x15 op maat gemaakt met behulp van mallen en tussen de ribben geplaatst. Hier komt dan de originele vloer weer op en daarop iets van vinyl of pvc.
De vloer wordt later aan de randen weer afgekit met Sikaflex.
De cabine vloer hebben we voorzien van Flash Band voor de ontdreuning en wat geluidsisolatie. Intussen ook de hoofdstroomkabel van onder de bestuurderstoel naar de linker wielkast gelegd, waar later de elektrische componenten komen. (Lader. Omvormer, stabilisator, zekeringen, etc) Hiervoor een gat geboord net achter de B-stijl.
Tevens de bevestiging van de krik eraf geslepen. Deze is daar niet meer nodig. 15mm X-trem
De dikke rode kabel is de nieuwe...
Gr René
We hebben de originele vloerplaat verwijderd om deze later weer als vloer te kunnen gebruiken. Eronder gaan we isoleren met X-trem. Als eerste de vloer schoongemaakt en vetvrij gemaakt. Diverse gaatjes voorzien van primer en dichtgemaakt met Sikaflex. De grotere tussenvlakken tussen de ribbels voorzien van 9mm populieren multiplex. Deze zijn weer vastgelijmd met Sikaflex. Op het mulitplex en de metalen ribbels hebben we dwarsbalkjes van 15mm geplaatst met een tussenruimte van ca 200-300 mm. Daarna de drie X-trem platen van 2000x1000x15 op maat gemaakt met behulp van mallen en tussen de ribben geplaatst. Hier komt dan de originele vloer weer op en daarop iets van vinyl of pvc.
De vloer wordt later aan de randen weer afgekit met Sikaflex.
De cabine vloer hebben we voorzien van Flash Band voor de ontdreuning en wat geluidsisolatie. Intussen ook de hoofdstroomkabel van onder de bestuurderstoel naar de linker wielkast gelegd, waar later de elektrische componenten komen. (Lader. Omvormer, stabilisator, zekeringen, etc) Hiervoor een gat geboord net achter de B-stijl.
Tevens de bevestiging van de krik eraf geslepen. Deze is daar niet meer nodig. 15mm X-trem
De dikke rode kabel is de nieuwe...
Gr René
___________________________
Klik -----> Ombouw T5GP LWB Camper project 2017 en diverse aanpassingen 2018 <------
Klik -----> Ombouw T5GP LWB Camper project 2017 en diverse aanpassingen 2018 <------
Re: T5GP LWB 2012 Camperombouw 2017
Eind Feb 2017
De originele vloer is weer tijdelijk terug gelegd. We dachten de originele gaten te kunnen gebruiken om de vloer vast te zetten maar het wegwerken van de bouten vergt nog wel wat creativiteit. Daar denken we nog even over na.
Onder het linkerachterlicht een gat geboord in de plastic kap voor de 230V stroomaansluiting. Dit doen we met een zogenaamde Defa aansluiting die eigenlijk bedoeld zijn voor een motorverwarming. Het is allemaal wat kleiner dan de gebruikelijke CEE form aansluitingen. Het klepje van de aansluiting al eerder in de kleur van de bus gespten. Verder alle kabels en draden getrokken in de bus voor de 12V LED verlichting en de 230Vac wandcontactdozen. De bestaande aansluiting van de dakverlichting hebben we doorgetrokken naar de achterklep om daar later nog een lampje op te kunnen aansluiten die automatisch aangaat bij het openen van de klep. De 230V kabels hebben we in een beschermbuis aangebracht voor extra veiligheid. Verder nog een loze buis van links naar rechts voor eventuele vergeten aansluitingen aangebracht. We willen in het midden van de zijramen een lampje aanbrengen voor de sfeerverlichting. Deze gaan we dimmen met een touchdimmer in de B-stijl. Voor het lezen brengen we flexibele lampjes aan bij de voorstoelen en aan de achterzijde. Verder maken we later nog een 230Vac aansluiting bij de schuifdeur voor een eventueel elektrisch kacheltje oid. Er komen diverse USB aansluitpunten voor het laden van telefoons, tablet en e-reader.
We hebben een begin gemaakt met het bekleden van de panelen. Het schuifdeurpaneel en de achterklep en de twee kleintjes van de zijkanten zijn gedaan. Met behulp van spuitlijm is het prima te doen, we voorzien de panelen van zogenaamde verborgen clips. De grote zijpanelen moeten eerst nog op maat gezaagd worden en er moeten nog gaten in voor de bedrading. We bekleden de bus en de panelen met de blauwe variant van het stretchvilt. Gr René
De originele vloer is weer tijdelijk terug gelegd. We dachten de originele gaten te kunnen gebruiken om de vloer vast te zetten maar het wegwerken van de bouten vergt nog wel wat creativiteit. Daar denken we nog even over na.
Onder het linkerachterlicht een gat geboord in de plastic kap voor de 230V stroomaansluiting. Dit doen we met een zogenaamde Defa aansluiting die eigenlijk bedoeld zijn voor een motorverwarming. Het is allemaal wat kleiner dan de gebruikelijke CEE form aansluitingen. Het klepje van de aansluiting al eerder in de kleur van de bus gespten. Verder alle kabels en draden getrokken in de bus voor de 12V LED verlichting en de 230Vac wandcontactdozen. De bestaande aansluiting van de dakverlichting hebben we doorgetrokken naar de achterklep om daar later nog een lampje op te kunnen aansluiten die automatisch aangaat bij het openen van de klep. De 230V kabels hebben we in een beschermbuis aangebracht voor extra veiligheid. Verder nog een loze buis van links naar rechts voor eventuele vergeten aansluitingen aangebracht. We willen in het midden van de zijramen een lampje aanbrengen voor de sfeerverlichting. Deze gaan we dimmen met een touchdimmer in de B-stijl. Voor het lezen brengen we flexibele lampjes aan bij de voorstoelen en aan de achterzijde. Verder maken we later nog een 230Vac aansluiting bij de schuifdeur voor een eventueel elektrisch kacheltje oid. Er komen diverse USB aansluitpunten voor het laden van telefoons, tablet en e-reader.
We hebben een begin gemaakt met het bekleden van de panelen. Het schuifdeurpaneel en de achterklep en de twee kleintjes van de zijkanten zijn gedaan. Met behulp van spuitlijm is het prima te doen, we voorzien de panelen van zogenaamde verborgen clips. De grote zijpanelen moeten eerst nog op maat gezaagd worden en er moeten nog gaten in voor de bedrading. We bekleden de bus en de panelen met de blauwe variant van het stretchvilt. Gr René
Laatst gewijzigd door moosev op 07 mar 2017, 22:25, 1 keer totaal gewijzigd.
___________________________
Klik -----> Ombouw T5GP LWB Camper project 2017 en diverse aanpassingen 2018 <------
Klik -----> Ombouw T5GP LWB Camper project 2017 en diverse aanpassingen 2018 <------
Re: T5GP LWB 2012 Camperombouw 2017
Maart 2017
Bericht gekregen van de leverancier van de meubelplaten dat het gekozen patroon en structuur een erg dure combinatie is. (300 euro per meubelplaat) We gaan dus op zoek naar een goedkoper alternatief.
Het op maat maken van de originele zijpanelen was minder eenvoudig dan gedacht. Om de maten juist te krijgen en de gaten voor de plugjes op de juiste plek is nog een hele toer. Het maken van goede mallen is een secuur werkje gebleken. Her en der moeten we wat gaten opnieuw maken om de plugjes te laten passen. Gelukkig zitten er voldoende gaten in de bus om alternatieve bevestigingspunten te maken.
Het eerste raam is in de bus geplaatst. We zijn begonnen met het achterraam. Eerst een aantal gaten geboord om de knabbelaar er door heen te kunnen steken. Het uitknabbelen van de metalen plaat gaat niet zo soepel als gedacht, maar dat zal gebrek aan ervaring zijn. Uiteindelijk is er een mooi gat gemaakt. Randen afgevijld en in de primer gezet. Het raam schoongemaakt en ook in de primer gezet, daarna met de accukitspuit een mooie kitrand aangebracht en het raam erin geplakt. De rubberrand ging er niet echt lekker op, deze lijkt toch echt te smal. Het naar elkaar toebrengen van de twee metalen platen is niet echt eenvoudig door de ronding van de klep. Wellicht dat het met de zijramen beter gaat. Nog vier ramen te gaan!
Gr René
Bericht gekregen van de leverancier van de meubelplaten dat het gekozen patroon en structuur een erg dure combinatie is. (300 euro per meubelplaat) We gaan dus op zoek naar een goedkoper alternatief.
Het op maat maken van de originele zijpanelen was minder eenvoudig dan gedacht. Om de maten juist te krijgen en de gaten voor de plugjes op de juiste plek is nog een hele toer. Het maken van goede mallen is een secuur werkje gebleken. Her en der moeten we wat gaten opnieuw maken om de plugjes te laten passen. Gelukkig zitten er voldoende gaten in de bus om alternatieve bevestigingspunten te maken.
Het eerste raam is in de bus geplaatst. We zijn begonnen met het achterraam. Eerst een aantal gaten geboord om de knabbelaar er door heen te kunnen steken. Het uitknabbelen van de metalen plaat gaat niet zo soepel als gedacht, maar dat zal gebrek aan ervaring zijn. Uiteindelijk is er een mooi gat gemaakt. Randen afgevijld en in de primer gezet. Het raam schoongemaakt en ook in de primer gezet, daarna met de accukitspuit een mooie kitrand aangebracht en het raam erin geplakt. De rubberrand ging er niet echt lekker op, deze lijkt toch echt te smal. Het naar elkaar toebrengen van de twee metalen platen is niet echt eenvoudig door de ronding van de klep. Wellicht dat het met de zijramen beter gaat. Nog vier ramen te gaan!
Gr René
___________________________
Klik -----> Ombouw T5GP LWB Camper project 2017 en diverse aanpassingen 2018 <------
Klik -----> Ombouw T5GP LWB Camper project 2017 en diverse aanpassingen 2018 <------
Re: T5GP LWB 2012 Camperombouw 2017
De wielkasten hebben we ook nog met Flash band beplakt, wellicht helpt dit nog wat tegen het geluid en isolatie. Hier komt later nog vilt overheen.
Ook de draaischjiven van de twee stoelen zijn geplaatst. Het zijn draaischijven van RIB (via Kiravans) waarvan de bestuurderszijde voorzien is van een offset zodat deze wat meer naar het midden van de bus draait en zodoende wat ruimte geeft bij het keukenkastje. Deze is ook voorzien van verhogingsribben zodat de stoel net boven de handrem langs draait. (hand rem kan dan niet aangetrokken zijn). De bijrijdersschijf is zonder de verhogingsribben gemonteerd. Door de draaischijven passen de oorspronkelijke afdekkappen aan de achterkanten van de stoelbak niet meer, daar hebben we nog twee nieuwe multiplex paneeltjes voor gezaagd die we bekleden met stretch vilt.
De bedradingsbomen zijn omwikkelt met textieltape om eventueel gerammel tegen te gaan. Even afwachten of dit allemaal goed gaat met het plaatsen van het dak. Verder hebben we een begin gemaakt met het plaatsen van de isolatiewol. Het Oostenrijkse schapenwol werkt erg makkelijk, het is eenvoudig te knippen en in de holtes te plaatsen. We lijmen de bovenkanten vast met spuitlijm om te voorkomen da t het naar beneden zakt. Het geeft wel een enorme troep in de bus. (heel veel kleine haartjes) Snel stofzuigen dus! Wordt vervolgd wanneer we weer wat tijd gehad hebben om wat te doen.
Gr René
De bedradingsbomen zijn omwikkelt met textieltape om eventueel gerammel tegen te gaan. Even afwachten of dit allemaal goed gaat met het plaatsen van het dak. Verder hebben we een begin gemaakt met het plaatsen van de isolatiewol. Het Oostenrijkse schapenwol werkt erg makkelijk, het is eenvoudig te knippen en in de holtes te plaatsen. We lijmen de bovenkanten vast met spuitlijm om te voorkomen da t het naar beneden zakt. Het geeft wel een enorme troep in de bus. (heel veel kleine haartjes) Snel stofzuigen dus! Wordt vervolgd wanneer we weer wat tijd gehad hebben om wat te doen.
Gr René
___________________________
Klik -----> Ombouw T5GP LWB Camper project 2017 en diverse aanpassingen 2018 <------
Klik -----> Ombouw T5GP LWB Camper project 2017 en diverse aanpassingen 2018 <------
Re: T5GP LWB 2012 Camperombouw 2017
Lekker bezig !
Re: T5GP LWB 2012 Camperombouw 2017
Mooi, succes verder en laat ons mee genieten.
Groeten,
Walter
Groeten,
Walter
Re: T5GP LWB 2012 Camperombouw 2017
Erg leuk project. Waarom heb je gekozen voor Oostenrijks schapenwol?
Re: T5GP LWB 2012 Camperombouw 2017
Niet bewust gekozen voor Oostenrijkse wol hoor. Op het forum is in de draadjes over wol (
) het GB+ DWL Schapenwol genoemd en als prettig ervaren. Dit heb ik dan ook besteld. Het verbaasde mij echter dat het uit Oostenrijk moest komen. Besteld trouwens bij Groenebouwmaterialen.nl
___________________________
Klik -----> Ombouw T5GP LWB Camper project 2017 en diverse aanpassingen 2018 <------
Klik -----> Ombouw T5GP LWB Camper project 2017 en diverse aanpassingen 2018 <------
- Vince Lankhorst
- Berichten: 67
- Lid geworden op: 19 feb 2017, 15:21
- Contacteer:
Re: T5GP LWB 2012 Camperombouw 2017
Mooie bus! Lekker bezig! Ziet er gaaf uit die draaibare stoelen :)
T5 GP 2011 140pk / VLShowSolutions
Re: T5GP LWB 2012 Camperombouw 2017
Had al eerder een reactie geschreven, maar die is niet meer
Inderdaad mooie bus voor een camper.
Zo ben ik dus ook begonnen: plannen bedenken, beurzen bezoeken, camperbouwers bezoeken en ontelbare uren het internet afstruinen.
Je weet dan wat je wilt en jouw indeling komt mij bekend voor, zelf vind ik dit de meest ideale voor een breed bed en de ruimte onder de banken.
Is keuzes maken, of VW banken met gordels of deze uitvoering.
Verstandig om er gelijk een Bearlock in te zetten, bij camperverzekerd ben je dan al voor 27,- pm klaar.
Mooi ook die bumpers, zit er zelf nog aan te denken om de mijne wit te spuiten.
Met het bed kwam ik niet verder dan 193 cm en een keukenblokje van 85 cm ivm de compressorkoelkast en 2 watertanks.
Ben benieuwd wat voor koeling jij er in zet.
Ik zou op de vloer geen vinyl of pvc doen, maar kurk, is altijd warm aan je voeten en pvc onttrekt de warmte.
Mooi ook die Defa aansluiting, alle ambulances worden met zo'n 220V stekker uitgevoerd, Jammer genoeg heb ik zelf een groot gat gemaakt :(
Waarom zelfbouw campers vaak met vilt bekleed worden begrijp ik niet, bij de grote campers zie dit niet.Ik heb het dan ook bewust niet gedaan.
Over de het geluid van de wielkasten hoef je niet in te zitten, die verdwijnen onder de banken enhet is bij mij superstil in de camper tijdens het rijden, ongeveer 65 Decibel.
Ja en die wol is volgens mij de beste manier om te isoleren, kon het letterlijk in alle hoeken duwen, ook de achterdeuren en het is 's nachts heerlijk stil.
Zou overigens geen ramen achterin zetten, evt nepruit want het grootste deel is toch bed, wij zijn zonder die ramen best tevreden.
Succes met de bouw en blijf je verslag volgen
Inderdaad mooie bus voor een camper.
Zo ben ik dus ook begonnen: plannen bedenken, beurzen bezoeken, camperbouwers bezoeken en ontelbare uren het internet afstruinen.
Je weet dan wat je wilt en jouw indeling komt mij bekend voor, zelf vind ik dit de meest ideale voor een breed bed en de ruimte onder de banken.
Is keuzes maken, of VW banken met gordels of deze uitvoering.
Verstandig om er gelijk een Bearlock in te zetten, bij camperverzekerd ben je dan al voor 27,- pm klaar.
Mooi ook die bumpers, zit er zelf nog aan te denken om de mijne wit te spuiten.
Met het bed kwam ik niet verder dan 193 cm en een keukenblokje van 85 cm ivm de compressorkoelkast en 2 watertanks.
Ben benieuwd wat voor koeling jij er in zet.
Ik zou op de vloer geen vinyl of pvc doen, maar kurk, is altijd warm aan je voeten en pvc onttrekt de warmte.
Mooi ook die Defa aansluiting, alle ambulances worden met zo'n 220V stekker uitgevoerd, Jammer genoeg heb ik zelf een groot gat gemaakt :(
Waarom zelfbouw campers vaak met vilt bekleed worden begrijp ik niet, bij de grote campers zie dit niet.Ik heb het dan ook bewust niet gedaan.
Over de het geluid van de wielkasten hoef je niet in te zitten, die verdwijnen onder de banken enhet is bij mij superstil in de camper tijdens het rijden, ongeveer 65 Decibel.
Ja en die wol is volgens mij de beste manier om te isoleren, kon het letterlijk in alle hoeken duwen, ook de achterdeuren en het is 's nachts heerlijk stil.
Zou overigens geen ramen achterin zetten, evt nepruit want het grootste deel is toch bed, wij zijn zonder die ramen best tevreden.
Succes met de bouw en blijf je verslag volgen
Groeten Sieds - zie mijn T5 project: viewtopic.php?f=13&t=52269
Re: T5GP LWB 2012 Camperombouw 2017
Bedankt voor het opnieuw plaatsen van je reactie, ik had hem inderdaad gelezen maar niet meer terug kunnen vinden.
Het is zeker nog maar de vraag of we de twee meter van het bed gaan halen. Beetje afhankelijk van de stand van de voorstoel. Dus wellicht dat het uiteindelijk wat korter wordt.
Koelkastje wordt een Waeco CRX50. Daar kan het vriezer deel uit, zodat er toch nog wat koelruimte overblijft.
De bumpers zijn niet origineel gebleven, er zijn andere (b-merk) opgezet, die witgespoten zijn omdat de originelen moeilijk glad te krijgen zijn.
gr
René
___________________________
Klik -----> Ombouw T5GP LWB Camper project 2017 en diverse aanpassingen 2018 <------
Klik -----> Ombouw T5GP LWB Camper project 2017 en diverse aanpassingen 2018 <------
Re: T5GP LWB 2012 Camperombouw 2017
Maart 2017
Voor de accu bewaking hebben we inmiddels een Victron BMV700 monitor aangeschaft. Tijdje zitten denken waar deze gemonteerd kan worden. We hebben geen kastjes tot aan het plafond en weinig blinde delen omdat we overal ramen willen. Het vakje aan het plafond boven de binnenspiegel leek het meest geschikt. We hebben een poging gedaan om de monitor en de kachel bediening daar een plaatsje te geven. Tot nu toe ziet het er goed uit, maar het moet nog wel ingebouwd worden in de auto.
Intussen ook wat spulletjes besteld voor het monteren van een sluithulp op de zijdeur en de achterklep. Tevens een schakelaartje besteld voor het van binnenuit kunnen openen van de achterklep.
De sluithulp op de achterklep is inmiddels gemonteerd. Voeding van onder de bestuurdersstoel gehaald van een relais van de trekhaak. De regelunit in de D-stijl geplaatst bij de reeds aanwezige stekkers. Om wat plaats te maken voor de motor van de sluithulp moest de achterdorpel ook nog wat aangepast te worden. Beetje zagen, beetje snijden en voilà het past weer. De klep kan nu op een normale manier dicht gedaan worden en het laatste stukje wordt nu netjes door de motor gedaan. Nu de zijdeur nog, daar heb ik nog niet alle onderdelen voor.
Motor voor sluithulp achterklep: Regelaar en stekker onderdelen: Intussen de alle wol in de wanden gedaan, en tijdelijk afgedekt met plastic. De elektrische bedrading weer wat verder afgemaakt. Het is verbazend hoeveel meter kabel er in zo'n kleine bus verdwijnt...
en wol:
Verder nog wat details aan de vloer afgewerkt.
gr. René
Voor de accu bewaking hebben we inmiddels een Victron BMV700 monitor aangeschaft. Tijdje zitten denken waar deze gemonteerd kan worden. We hebben geen kastjes tot aan het plafond en weinig blinde delen omdat we overal ramen willen. Het vakje aan het plafond boven de binnenspiegel leek het meest geschikt. We hebben een poging gedaan om de monitor en de kachel bediening daar een plaatsje te geven. Tot nu toe ziet het er goed uit, maar het moet nog wel ingebouwd worden in de auto.
Intussen ook wat spulletjes besteld voor het monteren van een sluithulp op de zijdeur en de achterklep. Tevens een schakelaartje besteld voor het van binnenuit kunnen openen van de achterklep.
De sluithulp op de achterklep is inmiddels gemonteerd. Voeding van onder de bestuurdersstoel gehaald van een relais van de trekhaak. De regelunit in de D-stijl geplaatst bij de reeds aanwezige stekkers. Om wat plaats te maken voor de motor van de sluithulp moest de achterdorpel ook nog wat aangepast te worden. Beetje zagen, beetje snijden en voilà het past weer. De klep kan nu op een normale manier dicht gedaan worden en het laatste stukje wordt nu netjes door de motor gedaan. Nu de zijdeur nog, daar heb ik nog niet alle onderdelen voor.
Motor voor sluithulp achterklep: Regelaar en stekker onderdelen: Intussen de alle wol in de wanden gedaan, en tijdelijk afgedekt met plastic. De elektrische bedrading weer wat verder afgemaakt. Het is verbazend hoeveel meter kabel er in zo'n kleine bus verdwijnt...
en wol:
Verder nog wat details aan de vloer afgewerkt.
gr. René
___________________________
Klik -----> Ombouw T5GP LWB Camper project 2017 en diverse aanpassingen 2018 <------
Klik -----> Ombouw T5GP LWB Camper project 2017 en diverse aanpassingen 2018 <------
- Multivan Generation
- Berichten: 35022
- Lid geworden op: 14 jan 2007, 14:41
- Locatie: Zeeland (Oost)
- Contacteer:
Re: T5GP LWB 2012 Camperombouw 2017
Is het geen idee om dit topic te laten verplaatsen naar T5 camper gedeelte?